全国高端品茶联系方式_全国高端外围安排_全国空降同城微信人到付款_全城空降软件

欢迎光临乐清市莱斯欣电子有限公司! 热线电话: 0577-62337166
服务体系: 网站首页产品中心 拨动开关 >KS

KS

KS.jpg

描述 

●滑动开关

●双刀多段

●额定电压电流

6A 125Vac,3A 250 Vac

3A 250V~,T85/55 

●获得认证:ULcUL,TUV,CQC

●温度限:85℃ Max. 

●耐高压:2500Vac

●绝缘电阻:>100MΩ

●寿命:10000cycles

●接触电阻: <50MΩ

●Resistance to tracking(PTI):175V

●适用器具类别:Ⅱ

●防护级别:IPOO 


尺寸图

201142616537419.jpg

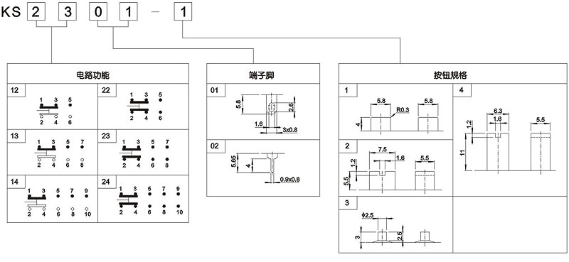
标识订货

2011425165132370.jpg

主站蜘蛛池模板: 黎川县| 滕州市| 合阳县| 富蕴县| 淮阳县| 石景山区| 铁岭市| 渑池县| 四子王旗| 上思县| 天津市| 邳州市| 池州市| 鄂托克前旗| 湖口县| 海阳市| 松原市| 莎车县| 南丹县| 金寨县| 谷城县| 大安市| 会东县| 成都市| 苗栗市| 平阳县| 肥城市| 蓝田县| 思茅市| 黔西县| 商洛市| 衡山县| 邵武市| 洛阳市| 吉木萨尔县| 墨江| 咸阳市| 临猗县| 行唐县| 泰兴市| 炎陵县|