M1

描述
●按压开关●单刀(双刀)●额定电压电流4A 125/250Vac,T1501A 125/250Vac,T150 ●获得认证:ULcUL●温度限:150℃ Max. ●耐高压:2500Vac●绝缘电阻:>100MΩ●寿命:10000cycles●接触电阻: <50MΩ●Resistance to tracking(PTI):175V●适用器具类别:Ⅱ●防护级别:IPOO
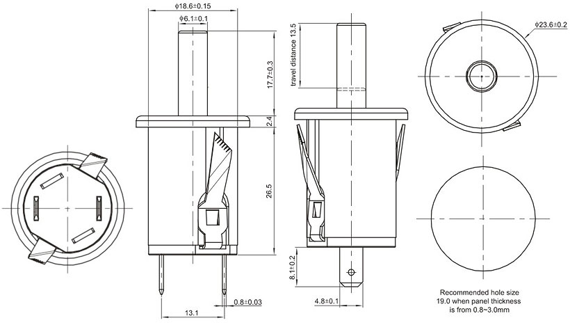
尺寸图

标识订货

主站蜘蛛池模板:
平和县|
龙山县|
桓台县|
冀州市|
平遥县|
新邵县|
若尔盖县|
峨眉山市|
莱西市|
蒙阴县|
章丘市|
石阡县|
蓝山县|
乐昌市|
安岳县|
西乌珠穆沁旗|
枞阳县|
高唐县|
桃源县|
郧西县|
马鞍山市|
宝清县|
搜索|
郑州市|
甘南县|
澄城县|
奉化市|
长丰县|
开平市|
新田县|
合江县|
红原县|
红安县|
合川市|
濮阳县|
澎湖县|
苍溪县|
苏尼特左旗|
灵丘县|
朝阳市|
浮梁县|