全国高端品茶联系方式_全国高端外围安排_全国空降同城微信人到付款_全城空降软件

欢迎光临乐清市莱斯欣电子有限公司! 热线电话: 0577-62337166
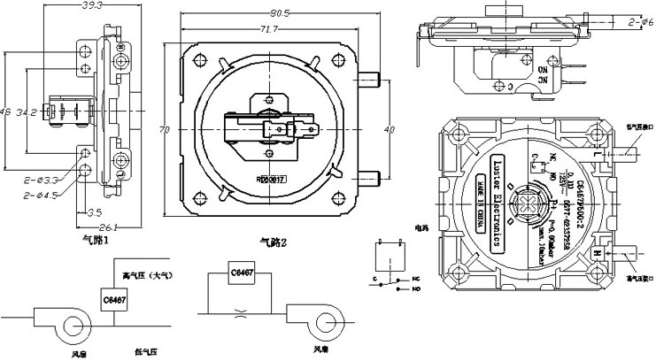
服务体系: 网站首页产品中心 风压开关 >C6467

C6467

C6467.jpg

描述 

●风压开关

●用于燃气设备

●额定值

1A 125/250VAC, 3A 125/250VAC

●认证:UL cUL certificate

●规格:

温度范围:85℃ Max

耐高压:1500Vac/1min.

动作点:20-400Pa can be set by factory

耐久:10000 cycles

最大压力:1000Pa

接触电阻:100mOhm Max.

尺寸图

2011428111555799.jpg

标识订货


2011428111820249.jpg

主站蜘蛛池模板: 巴彦县| 乌拉特前旗| 烟台市| 孝感市| 仁化县| 许昌县| 泰州市| 枝江市| 寿阳县| 南昌县| 双峰县| 永昌县| 长岭县| 威远县| 宜宾市| 泌阳县| 沭阳县| 楚雄市| 利川市| 台湾省| 兴安县| 舞阳县| 稻城县| 二连浩特市| 平昌县| 佛教| 榆林市| 湄潭县| 信宜市| 溆浦县| 隆安县| 乌鲁木齐县| 剑川县| 渝北区| 杭锦后旗| 安吉县| 出国| 巴彦淖尔市| 共和县| 舞阳县| 修水县|